热门核心产品: 铂电阻 热电偶 压力变送器
温度仪表
热电偶
铂电阻
双金属温度计
液体压力式温度计
温度显示控制仪
液位仪表
6G雷达物位计
26G雷达物位计
导波雷达物位计
磁翻板液位计
射频导纳料位开关
压力仪表
压力表
压力变送器
差压变送器
调节阀
电动调节阀
气动调节阀
执行机构
电动执行器
气动执行器
阀门副件
气动阀门定位器
电动阀门调节模块
流量仪表
电磁流量计
联系我们

名称:J9九游会-(中国)真人游戏第一品牌
销售电话:1399-5587-416
027-83659758
027-83735182
地址:湖北省武汉市江汉区民主街47号

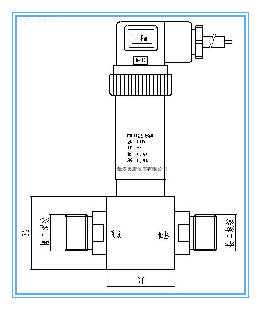
当前位置:主页 > 产品展示 > 压力仪表 > 差压变送器 >

赫斯曼差压变送器

PCM610型一体化差压变送器采用硅压阻式差压压力芯体组装而成。外壳为全不锈钢结构,具有很强的耐腐蚀性,两个压力接口为螺纹连接(用户可选择压力接口尺寸),可直接安装在测量管道上或通过引压管连接。 PCM610型有毫伏、标准电压、电流、频率信号输出等可供
产品详情 技术参数 优势与服务  
         PCM610型一体化差压变送器采用硅压阻式差压压力芯体组装而成。外壳为全不锈钢结构,具有很强的耐腐蚀性,两个压力接口为螺纹连接(用户可选择压力接口尺寸),可直接安装在测量管道上或通过引压管连接。 PCM610型有毫伏、标准电压、电流、频率信号输出等可供选择,可以很方便地安装使用,广泛应用于过程控制,航空,航天,汽车,医疗设备,HVAC等领域的差压、液位、流量测控等。 特点 √ 316L不锈钢隔离膜片结构 √ 零点、灵敏度温度宽范围补偿 √ 高精度、高强度、精巧的全不锈钢结构 √ 抗干扰强、优良的长期稳定性 √ 安装简易方便 √ 外形结构多样化 √ 质保期:12个月 技术性能 供电电源:5VDC~30VDC 输出信号:毫伏、标准电压、电流 量程范围:0~10kPa…100Kpa~6MPa 补偿温度:-10~70℃ 环境温度:-40~85℃ 介质温度:-40~85℃ 贮存温度:-40~125℃ 结构材料:全不锈钢 工作方式:差压 综合精度:0.1、0.3、0.5级可选 零点温度漂移:±0.03%FS/℃ 灵敏度温度漂移:±0.03%FS/℃ 过载压力:200%FS(典型) 长期稳定性:≤0.2FS/年 

 

       订货信息 系列号 PCM610 量程范围 1MPa 根据用户要求可选,最大100MPa.  电源 V1:24V、V2:12V、V3:±12V 输出信号 B1:4~20mA、B2:0~20mA、B3:1~5V、B4:0~5V     接口螺纹 C1:M20×1.5、C2:G1/2、C3:M12×1(74O锥) 附加功能 J1:直接引线、J2:赫斯曼接头、J3:航插接头 P1:0.1%、P2:0.3% 、P3:0.5% I:本安防爆型iaⅡCT4 D:钽隔膜片 E:抗振要求 G:抗压力冲击要求 Y:用户要求 例:PCM610-1MPa   V1      B1    C1    J1 P1     选型举例:PCM610-1Mpa-V1-B1-C1- J1 P1
 
热销产品
 
公司地址:武汉市东西湖区革新大道胜河路盈创动力产业园13栋
服务热线:1399-5587-416 电话:027-83659758 027-83735182
Copyright©2014-2016 J9九游会-(中国)真人游戏第一品牌 All Rights Reserved.