热门核心产品: 铂电阻 热电偶 压力变送器
温度仪表
热电偶
铂电阻
双金属温度计
液体压力式温度计
温度显示控制仪
液位仪表
6G雷达物位计
26G雷达物位计
导波雷达物位计
磁翻板液位计
射频导纳料位开关
压力仪表
压力表
压力变送器
差压变送器
调节阀
电动调节阀
气动调节阀
执行机构
电动执行器
气动执行器
阀门副件
气动阀门定位器
电动阀门调节模块
流量仪表
电磁流量计
联系我们

名称:J9九游会-(中国)真人游戏第一品牌
销售电话:1399-5587-416
027-83659758
027-83735182
地址:湖北省武汉市江汉区民主街47号

当前位置:主页 > 产品展示 > 压力仪表 > 差压变送器 >

TK3051电容式变送器

TK3051小膜盒电容式变送器是我公司引进国外先进技术和设备生产的精巧型变送器。其关键原材料和零部件均采用进口,设计原理先进、品种规格齐全、安装使用简便。该机型外观上融合了目前国内被广泛使用的3051和EJA的特点,使其具有无可比拟的向前、向后的兼容性
产品详情 技术参数 优势与服务  
TK3051电容式变送器

 

★ 概述

TK3051小膜盒电容式变送器是我公司引进国外先进技术和设备生产的精巧型变送器。其关键原材料和零部件均采用进口,设计原理先进、品种规格齐全、安装使用简便。该机型外观上融合了目前国内被广泛使用的3051EJA的特点,使其具有无可比拟的向前、向后的兼容性,可避免您因产品过时或超前所引起的浪费,保护您的投资。为适应国内自动化水平,该系列产品有普通模拟输出型和带HART现场总线协议的智能型两种产品。

适用范围

TK3051型变送器是适用于精确地测量微差压到大差压、低压力到高压力、液位、真空度、和比重;配合节流装置还可以测量流量。

工作原理

被测介质的两种压力通入高、低两压力室,作用在δ元件(即敏感元件)的两隔离膜片上,通过隔离膜片和δ元件内的填充液传送到预张紧的测量膜片两侧。测量膜片与两侧绝缘体上的电极各组成一个电容器,在无压力通入或两侧压力均等时测量膜片处于中间位置,两侧两电容器的电容量相等。当两侧压力不一致时,致使测量膜片产生位移,其位移量和压力差成正比,故两侧电容量就不等,通过检测此电容极板上的差动电容,再由电子线路把差动电容转换放大成4-20mADC的二线制电流信号。压力变送器和绝对压力变送器的工作原理和差压变送器相同,所不同的是低压室压力是大气压或真空。
 

★ 特点

 

 精度高;

 稳定性好 

 固体元件,接插式印刷线路板;

 小型、重量轻、坚固抗振;

 量程、零点外部连续可调;

 阻尼可调;

 单向过载保护特性好;

 无机械可动部件,维修工作量少;

 全系列统一结构,零部件互换性强;

※ 防爆结构,全天候使用

※ 接触介质的膜片材料可选择;膜片可选 316LTANHAS-CMONEL等耐腐蚀材料   

 智能HART现场总线协议。


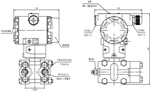
★ 结构尺寸

TK3051系列安装方式图


 

※ TK3051系列外形尺寸图


量程代码

M(mm)

对应型号

0

59.1

TK3051GP

         

2

54.0

   

TK3051SP

 

TK3051DR

 

3

54.0

TK3051GP

 

TK3051SP

TK3051DP

   

4

54.0

TK3051GP

TK3051AP

TK3051SP

TK3051DP

 

TK3051HP

5

54.0

TK3051GP

TK3051AP

TK3051SP

TK3051DP

 

TK3051HP

6

55.6

TK3051GP

TK3051AP

 

TK3051DP

 

TK3051HP

7

55.6

TK3051GP

TK3051AP

 

TK3051DP

 

TK3051HP

8

57.2

TK3051GP

TK3051AP

 

TK3051DP

   

9

59.1

TK3051GP

   

 
 
热销产品
 
公司地址:武汉市东西湖区革新大道胜河路盈创动力产业园13栋
服务热线:1399-5587-416 电话:027-83659758 027-83735182
Copyright©2014-2016 J9九游会-(中国)真人游戏第一品牌 All Rights Reserved.